1. Capacidad: 10kg de 500kg.
2. Defiende el grado: IP66
3. alta precisión
4. Acero de aleación y acero inoxidable.
LHS-9106
OKEN
| Especificación: | |
|---|---|
| Estado de Disponibilidad: | |
| Cantidad: | |
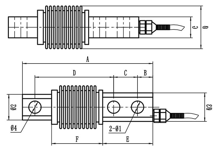
LHS-9106 Bellow Type Cell Cell tiene acero de aleación y estructura inoxidable. Diseño herméticamente sellado para hacer que la clase de protección alcance IP66, adecuada para entornos multiformes, como escala de correa, escala de transportadores o condiciones de pesaje de tolva.
Dimension externa
| Capacidad | A | B | C | D | E | F | G | H | φ | Φ1 | Φ2 | Φ3 | Φ4 |
| 10-300kg | 123 | 13 | 18 | 82 | 43 | 54 | 20 | 20 | 45 | 8.2 | 27 | 32 | 8.2 |
| 500-1000kg | 210 | 15 | 40 | 133 | 93 | 64 | 34 | 25 | 60 | 13 | 35 | 50 | 14 |
Especificación
| Capacidad | 0-1000kg | Material | Acero de aleación / acero inoxidable. |
| Salida calificada | 2.0 / 3.0 ± 0.05mv / v | Impedancia | 350Ω |
| Balance de zera | ± 1% F.s. | Aislamiento | ≥5000mΩ / 100VDC |
| No lineea | 0.03% F.s. | Usar voltaje | 5-15V |
| Histéresis | 0.03% F.s. | Rango de temperatura de funcionamiento | -20-60 ℃ |
| Repetibilidad | 0.03% F.s. | Sobrecarga segura | 150% |
| Creep (30min) | 0.03% F.s. | Máximo sobre la carga | 200% |
| Salida TEMP EFECTONE | 0.05% F.S. / 10 ℃ | Especificaciones de cable | Φ5x3m |
| TEMP EFECTONE CERO CERO | 0.05% F.S. / 10 ℃ | Tirar por cable | 10kg |
| Frecuencia de respuesta | 10khz | Teds | Opcional |
Detalles de producto
LHS-9106 Bellow Type Cell Cell tiene acero de aleación y estructura inoxidable. Diseño herméticamente sellado para hacer que la clase de protección alcance IP66, adecuada para entornos multiformes, como escala de correa, escala de transportadores o condiciones de pesaje de tolva.
Dimension externa
| Capacidad | A | B | C | D | E | F | G | H | φ | Φ1 | Φ2 | Φ3 | Φ4 |
| 10-300kg | 123 | 13 | 18 | 82 | 43 | 54 | 20 | 20 | 45 | 8.2 | 27 | 32 | 8.2 |
| 500-1000kg | 210 | 15 | 40 | 133 | 93 | 64 | 34 | 25 | 60 | 13 | 35 | 50 | 14 |
Especificación
| Capacidad | 0-1000kg | Material | Acero de aleación / acero inoxidable. |
| Salida calificada | 2.0 / 3.0 ± 0.05mv / v | Impedancia | 350Ω |
| Balance de zera | ± 1% F.s. | Aislamiento | ≥5000mΩ / 100VDC |
| No lineea | 0.03% F.s. | Usar voltaje | 5-15V |
| Histéresis | 0.03% F.s. | Rango de temperatura de funcionamiento | -20-60 ℃ |
| Repetibilidad | 0.03% F.s. | Sobrecarga segura | 150% |
| Creep (30min) | 0.03% F.s. | Máximo sobre la carga | 200% |
| Salida TEMP EFECTONE | 0.05% F.S. / 10 ℃ | Especificaciones de cable | Φ5x3m |
| TEMP EFECTONE CERO CERO | 0.05% F.S. / 10 ℃ | Tirar por cable | 10kg |
| Frecuencia de respuesta | 10khz | Teds | Opcional |
Detalles de producto